Keywords:
Frequency Response
Highpass Filter
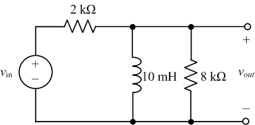
Problem #1
Find the transfer function for H(jω)=Vout/Vin. What type of filter is it?
Need a hint?
Use a voltage divider to derive the transfer function.
|
December 14, 2025
|
Text Size: | ||||
| Color Scheme: | |||||
| Language: |
|
View All : Main >
Topics >
AC Circuits >
Frequency Response >
Highpass Filter >
Problem #1
Keywords:
Frequency ResponseHighpass FilterProblem #1Find the transfer function for H(jω)=Vout/Vin. What type of filter is it?
Need a hint?
Use a voltage divider to derive the transfer function. solutionAdditional files availableVideo Transcript |