October 12, 2025
Text Size: T T T
Color Scheme:                         
Language: English | 中文 | All
View All : Main > Topics > AC Circuits > Frequency Response > Bandreject Filter > Problem #3
Keywords:

Frequency Response

Bandreject Filter

Problem #3

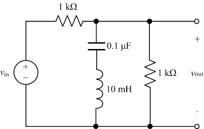
a) Determine H(s)=Vout/Vin for the circuit in the figure.

b) What is the maximum magnitude of the transfer function?

c) What is the minimum magnitude of the transfer function?

d) What type of filter is it?

diagram
Need a hint?

solution

Check your result

Additional files available

Video Transcript