December 13, 2025
Text Size: T T T
Color Scheme:                         
Language: English | 中文 | All
View All : Main > Topics > AC Circuits > Frequency Response > Bandreject Filter > Problem #1
Keywords:

Frequency Response

Bandreject Filter

Problem #1

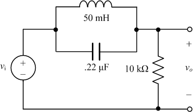
Derive the expression for H(s)=Vo/Vi. What type of filter is it? Find ω0, ωc1, ωc2, Q and β.

diagram
Need a hint?

solution

Check your result

Additional files available

Video Transcript