October 12, 2025
Text Size: T T T
Color Scheme:                         
Language: English | 中文 | All
View All : Main > Topics > AC Circuits > Frequency Response > Active Filter > Problem #1
Keywords:

Frequency Response

Active Filter

Problem #1

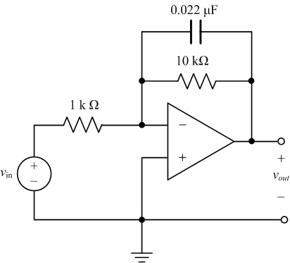
a) Find the transfer function H(jω)=Vout/Vin

b) At what frequency will the magnitude of H(jω) be maximum and what is the maximum value of the magnitude of H(jω)?

c) At what frequency will the magnitude of H(jω) be minimum and what is the minimum value of the magnitude of H(jω)?

diagram
Need a hint?

solution

Check your result

Additional files available

Video Transcript