October 12, 2025
Text Size: T T T
Color Scheme:                         
Language: English | 中文 | All
View All : Main > Topics > AC Circuits > Sinusoids > Kirchoff's Laws > Problem #2
Keywords:

Sinusoids

Kirchoff's Laws

Problem #2

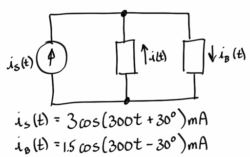
Find the time-domain expression for i(t) using phasor techniques.

diagram
Need a hint?

solution

Check your result

Additional files available

Video Transcript