Martin Connors
Centre for Natural and Human Science
Athabasca University 1 University Drive
Athabasca AB Canada T9S 3A3
Phone: 780-434-1786 Fax: 780-675-6186
E-mail: martinc@athabascau.ca
Entries
Magnetic Field from AC and DC Current
Abstract
The HAL400 is a sensitive Hall effect magnetic field detector in a 3x5 mm chip. With a single 9V battery and a multimeter, it can detect fields as small as that of the Earth (0.05 mT). Detecting low-frequency AC magnetic fields and DC fields allows Ampere's law to be studied.
Equipment required to construct apparatus:
Item Source Part number Cost
digital multimeter Radio Shack 22-128 $25
HAL400 mag. sensor Digi-Key HAL400S-CCT-ND $8.50
9V battery clip Digi-Key 72K-ND $0.80
9V battery R.S. or drugstore cheapest in store $2
13 V AC wall adapter surplus junk (optional) free
6V lantern battery R.S. or drugstore cheapest in store $2
5W potentiometer 1-10k Digi-Key CT-2158-ND $3.50
15 ohm coil old 3.5" disk drive free
100 ohm 1% resistor Digi-Key 100XBK-ND $0.10
Total Cost ..........................................................................................................$41.90
Description: 
The 6 V lantern battery, or optionally the wall adapter for AC current, is connected through the coil taken from a disk drive motor, with a series potentiometer to control current and a series resistor of 100 ohms, across which the voltage measured in Volts is 100 times the current in Amperes. The HAL400 sensor is placed in a fixed position near the coil. Readings are taken across its output pins (neither can be grounded!) on either the DC or AC voltage setting of the multimeter as appropriate. As the potentiometer is varied to set different currents through the coil, the set of readings across the 100 ohm resistor and the corresponding readings on the HAL400 allows the direct dependence of magnetic field on current to be demonstrated. It is also possible to move the sensor with respect to the coil to develop some feel for the 3D magnetic field around it.
Sketch (computer generated if possible)
Approximate size: .3 m by .5 m
Does this apparatus require Electrical Power? No. 9V battery power only.
Is this apparatus intended for use with and overhead projector? No
Will you be present to set up your apparatus? No
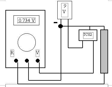
Temperature Coefficient of Resistance
Abstract
Low cost, small size (SOT-23 1´3 mm) precision temperature sensors, glued to other parts and powered by a battery, give a voltage proportional to temperature. The multimeter used to read this may also be used to measure resistance nearly simultaneously. A resistance-temperature curve is readily made.
Equipment required to construct apparatus:
Item Source Part number Cost
digital multimeter Radio Shack 22-128 $25
TC02 temp. sensor Digi-Key 158-2001-1-ND $1.05
old 35mm film can and sponge or styrofoam camera store or junk box/garbage
free!
thermistor (1400 ohm) Digi-Key PNT114-ND $0.95
old resistor, metal coil, etc. from scrap old electronic parts free!
9V battery clip Digi-Key 72K-ND $0.80
9V battery R.S. or drugstore cheapest in store $2
extra m/m lead /clip Radio Shack 278-704/270-379 $6
Total Cost .................................................................................................$35.80
Description:
The small thermal mass of the sensor ensures that as the temperature of the part being studied changes, so does that of the sensor. This is further ensured by close coupling (possibly by gluing) of the sensor to the part (14 ohm coil from old disk drive, 1200 ohm old resistor, 1400 ohm thermistor - note you get most accuracy from cheap multimeter if first digit is 1). The test object is grey in the sketch. Further, both are placed in a plastic film can and stuffed with sponge or styrofoam so that their temperature changes slowly when placed in a freezer or toaster oven (or even just changed over about 10 C by indoor/outdoor changes). By simply changing the dial position on the multimeter, one can quickly make a table of V from the sensor and R for the object under study, as both change in temperature. One converts V to T with T=100 x (V-.5). A linear or nonlinear graph results which may be studied.
Sketch 
Support required for apparatus:
Approximate size: .3 m by .5 m
Does this apparatus require Electrical Power? No. 9V battery power only.
Is this apparatus intended for use with and overhead projector? No.
Will you be present to set up your apparatus? No.